50.000+ tevreden klanten

Gratis verzending vanaf 50 euro!

Ma-vr voor 15:00 besteld = dezelfde dag verzonden

UCF 210

Koyo JTEKT Flenslagerblok gietijzer

Koyo JTEKT Flenslagerblok gietijzer :: UCF 210
Koyo JTEKT Flenslagerblok gietijzer :: UCF 210 :: 1 Koyo JTEKT Flenslagerblok gietijzer :: UCF 210 :: 2 Koyo JTEKT Flenslagerblok gietijzer :: UCF 210 :: 3

Op voorraad

Onze voordelen

50.000+ tevreden klanten

4,8/5,0 Google reviews

Gratis bezorgd vanaf €50,-

Specificaties

Artikelnummer
UCF 210
Type
Flenslagerblok
Gewicht
2,562 kg
Merk
KOYO JTEKT
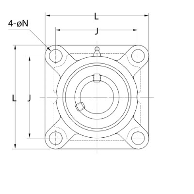
Afmetingen
L=143 / A=40 / J=111 / N=16 / A1=16 / A2=22 / A0=54,6 / B=51,6 / S=19 / Q=M14 mm
Diameter
50 mm
Dynamische radiale belasting
35,1 kN
Statische radiale belasting
23,3 kN

Op voorraad

minus plus

50.000+ tevreden klanten

4,8/5,0 Google reviews

Gratis bezorgd vanaf €50,-